
12年专注精密减速机生产、销售厂家





| JG系列标注说明 | ||||||
| 产品系列 | 产品规格 | 级数 | 传动比 | 背隙 | 输出形式 | 备注 |
| JG | 90 | L1 | 5 | P1 | ||
| 64 90 110 |
L1:=1级 L2:=2级 |
L1: 3 4 5 7 10 L2: 9 12 15 16 20 25 30 35 40 50 70 100 |
P1=精密间隙 P2:标注间隙 |
S1=光轴输出 无:带键输出 |
电机制造商及规格型号。可以直接提供输出连接尺寸 | |

|
JG64-L1
|
||||||||||||||||||||||||||||
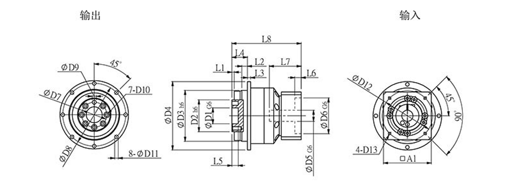
| D1 |
D2
|
D3
|
D4
|
D5
|
D6
|
D7
|
D8
|
D9 |
D10
|
D11
|
D12
|
D13
|
L1
|
L2
|
L3
|
L4 | L5 |
L6
|
L7
|
L8
|
A1
|
|||||||
|
20
|
40
|
60
|
86
|
14
|
50
|
31.5
|
79
|
5 |
M5
|
4.5
|
70
|
M4
|
3
|
7
|
4
|
19.5 | 8 |
10
|
38
|
87
|
60
|
|||||||
|
客户定制
|
||||||||||||||||||||||||||||
